Rof Elektro-optik modulýator optik güýçlendirme SOA kelebek ýarymgeçiriji optik güýçlendiriji
Aýratynlyk
Ýokary girdeji
Pes energiýa sarp edilişi
Polýarizasiýa bagly pes ýitgi
Ýokary ýok bolmak gatnaşygy
Temperatura gözegçiligini we TEC termoelektrik gözegçiligini goldaýar
Programma
Optiki süýümli enjamlaryň önümçiligi we iş görkezijilerini synagdan geçirmek
Kiçi signal güýjüniň güýçlendirilmegi
Laboratoriýa ylmy-barlag ugry
Optiki süýümli aragatnaşyk ulgamy
Parametrler
| Parametr | Işleýiş şerti | Birlik | Min | Ýazgy | Maks |
| Işleýän tolkun diapazony |
| nm | 1490-njy ýyl |
| 1590-njy ýyl |
| geçirijilik ukyby | @-3dB | nm | 55 |
| 60 |
| Doygun optiki güýç | Eger=250mA | dBm | 12 |
| 15 |
| Kiçi signal güýçlendirmesi | Eger=250mA Pin=-25dBm | dB | 25 |
| 30 |
| Doygunlyk çykyşynyň artmagy | Eger=250mA | dB | 12 |
|
|
| Işleýän tok |
| mA |
| 250 | 400 |
| Öňe tarap naprýaženiýe |
| V |
|
| 1.8 |
| Ýok bolmak gatnaşygy | Eger=250mA/Eger=-0.4mA bolsa Pin=0dBm | dB |
| 50 |
|
| TEC akymy |
| A |
|
| 1.8 |
| TEC woltasy |
| V |
|
| 3.4 |
| Polýarizasiýa bagly gazanç |
| dB |
| 1.5 | 2 |
| Termistoryň garşylygy | T=25℃ | KΩ | 9.5 | 10 | 10.5 |
| Termistor togy |
| mA |
|
| 5 |
| Işleýiş temperaturasy |
| ℃ | -10 |
| 70 |
| Saklama temperaturasy |
| ℃ |
|
| 85 |
Xarakteristik egri



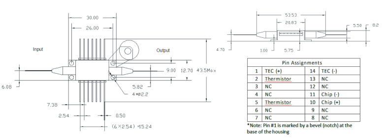
Gurluş ölçegi

“Rofea Optoelectronics” kompaniýasy täjirçilik elektro-optik modulýatorlaryň, faza modulýatorlarynyň, intensiwlik modulýatorlarynyň, fotodetektorlaryň, lazer yşyk çeşmeleriniň, DFB lazerleriniň, optik güýçlendirijileriň, EDFA, SLD lazeriniň, QPSK modulýasiýasynyň, impuls lazeriniň, ýagtylyk detektorynyň, deňagramly fotodetektoryň, lazer sürüjisiniň, süýümli optik güýçlendirijiniň, optik güýç ölçeýjisiniň, giň zolakly lazeriň, sazlanyp bilýän lazeriň, optik detektoryň, lazer diod sürüjisiniň, süýümli güýçlendirijiniň önüm liniýasyny hödürleýär. Şeýle hem, esasan uniwersitetlerde we institutlarda ulanylýan 1*4 massiwli faza modulýatorlary, örän pes Vpi we örän ýokary söndürme gatnaşygy modulýatorlary ýaly özleşdirmek üçin köp sanly aýratyn modulýatorlary hödürleýäris.
Önümlerimiziň size we gözlegleriňize peýdaly boljakdygyna umyt edýäris.










